I-7005
8 Channel Thermistor Input and 6 Channel Alarm Output Data Acquisition Module, communicable over RS-485, with FREE EZ Data Logger Software. Supports operating temperatures between -25°C to 75°C.
Features
The I-7005 module provides cost-effective protection and conditioning for a wide range of valuable industrial control signals and systems. The input type is configurable; the user selects the type and range remotely by issuing commands from the host. Fewer modules may be used for different applications. The user may mount the modules on a DIN rail, panel or wall. Module has a screw-terminal block to connect to the signals. I-7005 comes with FREE EZ Data Logger Software.
Specifications
| Analog Input | |
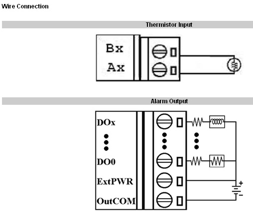
| Input Channels | 8 differential |
| Input Type | Thermistor |
| Thermistor Type | Precon ST-A3, Fenwell U, YSI L100, YSI L300, YSI L1000, YSI B2252, YSI B3000, YSI B5000, YSI B6000, YSI B10000, YSI H10000, YSI H30000, User-defined |
| Resolution | 16-bits |
| Sampling Rate | 8 samples/second (Total) |
| Accuracy | +/- 0.1% |
| Zero Drift | +/-20uV/°C |
| Span Drift | +/-25 ppm/°C |
| Common Mode Rejection | 86dB |
| Normal Mode Rejection | 100dB |
| Voltage Input Impedance | >1M Ohms |
| Overvoltage Protection | 120 VDC |
| Resistance Measurement | 200 KΩ Max. |
| Individual Channel Configurable | Yes |
| Open Wire Detection | Yes |
| Intra-module Isolation, Field to Logic | 3000 VDC |
| Digital Output | |
| Output Channels | 6 |
| Type | Open Collector |
| Sink/Source (NPN/PNP) | Sink |
| Load Voltage | +3.5 ~ 50 VDC |
| Max. Load Current | 650 mA/Channel |
| Overvoltage Protection | 60 VDC |
| Overload Protection | 1.4 A (with short-circuit protection) |
| Power-on Value | Yes |
| Safe Value | Yes |
| Interface | |
| Interface | RS-485 |
| Format | N, 8, 1 |
| Baud Rate | 1200~115200 bps |
| LED Display | |
| 1 LED as Power/ Communication indicator | |
| Power | |
| Input Voltage Range | +10 ~ +30 VDC |
| Power Consumption | 1.3 W |
| Environment | |
| Operating temperature | -25 to 75°C |
| Storage temperature | -40 to 85°C |
| Humidity | 5 to 95%, non-condensing |





